简易货梯电器原理图
简易货梯电器原理图
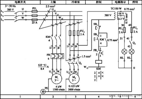
简易货梯电器原理图为了便于阅读与分析控制电路,一般采用电气元件展开的形式绘制电气原理图。它包括所有电气元件的导电部件和接线端点 (1)为了便于阅读与分析控制电路,一般采用电气元件展开的形式绘制电气原理图。它包括所有电气元件的导电部件和接线端点主电路标号由文字符号和数字组成,其中的文字符号标明主电路中的电气元件或线段的主要特征,数字区别电路的不同线段,如图中的UVW、U1V1W1和U2V2W2等。
(2)控制电路采用阿拉伯数字编号,由三位或三位以下的数字组成。在垂直绘制的电路中,标号顺序由上而下、从左到右编号,凡是被线圈、绕组、触头或电阻、电容等元件所间隔的线段,都应标以不同的电路标号。
(3)从电源到电动机的电路,通过的电流较大,称为主电路,用粗线条绘制; 辅助电路(包括控制电路、照明电路和信号电路)的电流小,用细线条绘制。
(4)无论是主电路还是辅助电路,各电气元件按动作顺序从上到下、从左到右依次排列,可垂直布置或水平布置。
(5)标出各电源电路的电压值、极性、频率、相数。
(6)继电器、接触器的触头按吸引线圈未通电状态画,按钮、行程开关的触点按不受外力作用时的状态画。
(7)同一电器的各导电部件(如继电器、接触器的线圈和触点)按照它们在电路中的联系分开画,但用相同的文字符号表示。对完成相同性质作用的几个电器,在相同的文字符号右下角加上数字序号,以示区别。
(8)动力电路的电源电路绘成水平线,电动机及其保护电器支路绘成垂直线; 辅助电路垂直地绘在两条或几条水平电源线之间,线圈、电磁铁、照明灯、信号灯、指示灯接在接地的水平电源线上,控制触点连另一电源线。
(9)有直接电联系的十字交叉导线连接点必须用黑圆点表示,否则不画黑圆点。


联系我们
全国咨询热线:1566-5853-368
邮箱:jnty68@163.com
地址:济阳县济北开发区


